Doosan SOLAR 180W-V Excavator Electrical Hydraulic Schematics Manual INSTANT DOWNLOAD


Product picture Doosan SOLAR 180W-V Excavator Electrical Hydraulic Schematics Manual INSTANT DOWNLOAD

14.95 USD

Buy button

This is the most complete Electrical Hydraulic Schematics Manual for the Doosan SOLAR 180W-V Excavator . Electrical Hydraulic Schematics Manual can come in handy especially when you have to do immediate repair to your Doosan SOLAR 180W-V Excavator . Electrical Hydraulic Schematics Manual comes with comprehensive details regarding technical data. I believe that would be what you need

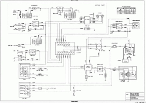
Doosan SOLAR 180W-V (S/N 1001 THRU 1099) Electrical circuits publication number: BLS1770L

Doosan SOLAR 180W-V (S/N 1100 AND UP) Electrical circuits publication number: HAAE1690

Doosan SOLAR 180W-V (WITH ARTICULATED BOOM) Hydraulic circuits publication number: BLS0060L

Doosan SOLAR 180W-V (WITH STANDARD BOOM) Hydraulic circuits publication number: BLS0050L

File Format: PDF
Compatible: All Versions of Windows & Mac
Language: English
Requirements: Adobe PDF Reader

Looking for some other Electrical Hydraulic Schematics Manual,
Please see the below link: http://yingzhi520.tradebit.com




Keywords: doosan solar 180w-v excavator electrical;doosan solar 180w-v excavator electrical hydraulic schematics manual
File Size: 1410 KBytes

Buy button
Do you want to become a reseller/affiliate and get 1.0% provision?
Embed: Create JavaScript Mobile Tag Widgets for your homepage
Doosan SOLAR 180W-V Excavator Electrical Hydraulic Schematics Manual INSTANT DOWNLOAD Doosan SOLAR 180W-V Excavator Electrical Hydraulic Schematics Manual INSTANT DOWNLOAD doosan solar 180w-v excavator electrical;doosan solar 180w-v excavator electrical hydraulic schematics manual 280065946 14.95 yingzhi520 Fresh Download Available!