Doosan SOLAR 340LC-V Excavator Electrical Hydraulic Schematics Manual INSTANT DOWNLOAD


Product picture Doosan SOLAR 340LC-V Excavator Electrical Hydraulic Schematics Manual INSTANT DOWNLOAD

14.95 USD

Buy button

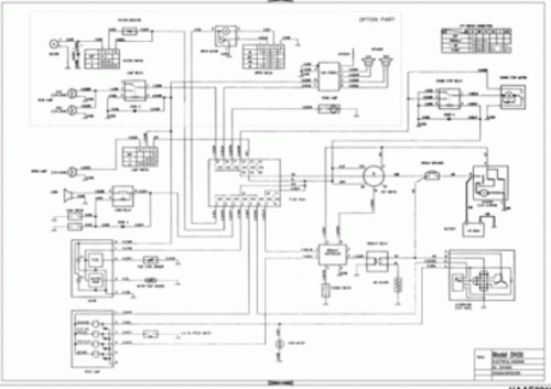
This is the most complete Electrical Hydraulic Schematics Manual for the Doosan SOLAR 340LC-V Excavator . Electrical Hydraulic Schematics Manual can come in handy especially when you have to do immediate repair to your Doosan SOLAR 340LC-V Excavator . Electrical Hydraulic Schematics Manual comes with comprehensive details regarding technical data. I believe that would be what you need

Doosan SOLAR 340LC-V (S/N 1001 THRU 1339) Electrical circuits publication number: HAAD4200

Doosan SOLAR 340LC-V (S/N 1340 AND UP) Electrical circuits publication number: HAAE1760

Doosan SOLAR 340LC-V Hydraulic circuits publication number: AUS0500L

File Format: PDF
Compatible: All Versions of Windows & Mac
Language: English
Requirements: Adobe PDF Reader

Looking for some other Electrical Hydraulic Schematics Manual,
Please see the below link: http://yingzhi520.tradebit.com




Keywords: doosan solar 340lc-v excavator electrical hydraulic schematics manual;doosan solar 340lc-v excavator electrica
File Size: 1110 KBytes

Buy button
Do you want to become a reseller/affiliate and get 1.0% provision?
Embed: Create JavaScript Mobile Tag Widgets for your homepage
Doosan SOLAR 340LC-V Excavator Electrical Hydraulic Schematics Manual INSTANT DOWNLOAD Doosan SOLAR 340LC-V Excavator Electrical Hydraulic Schematics Manual INSTANT DOWNLOAD doosan solar 340lc-v excavator electrical hydraulic schematics manual;doosan solar 340lc-v excavator electrica 280066026 14.95 yingzhi520 Fresh Download Available!